
VALVE-200S 특징
- UV, 필러가 들어간 액체 토출에 최적화
- 다이어그램 구조에 의해, 접동부에의 액체 침수를 방지
- 각형, 소형 타입으로 자동과 기기에 설치 용이
- 뛰어난 액조각성 실현
- 스트록 조정 기구 타입으로 토출량 조정가능
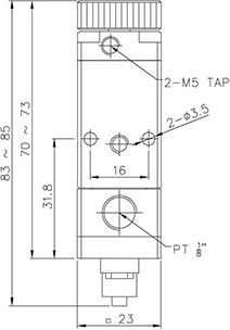
VALVE-200S 외형도

VALVE-200S 사양
| 구동방식 | 에어 오퍼레이트 2포트 제어(복동 피스톤식) |
|---|---|
| 조작 에어 압력 | 0.3 ~ 0.5MPa(kgf/cm²) |
| 최대 액체 압송 압력 | 0.5MPa(kgf/cm²) |
| 적용 액체 재료 | 저점도 액체 재료 |
| 적용 액체 점도 | ~ 1Pa's( ~ 8,000cps) |
| 최소 토출량 | 0.08cc |
| Valve 고정 Hole | 2-Ø4.5 Hole |
| 에어 조작 포트 | M5 TAP |
| 액체 투입구 | PT 1/8 |
| 액체 토출구 | LUER LOCK나사 (Lead 5.0mm 2줄 나사) |
| 접액부 재질 | SUS, 알루미늄, UHMWPE |
| 무게 | 50g |
| 사용 온도 | 5 ~ 60℃ |
VALVE-200S Default setting

